Overview
Membrane Solutions is dedicated to the development, production, and modification of a variety of microporous filtration membranes, including Nylon, PES, PVDF, and PTFE. Our modification technologies include hydrophilic and hydrophobic treatments, as well as charge and oleophobic modifications. These membranes are widely used for particle and bacterial retention, removal of metal particles, endotoxins, and other microorganisms. Additionally, they are employed in laboratory applications such as Western Blotting.
At the same time, we have a mature R&D team specializing in membranes and filters, an advanced production line, and a professional testing center—making us your ideal partner for membrane filtration solutions.
Membrane Production-cleaning
Membrane Production-rolling
UPW Production
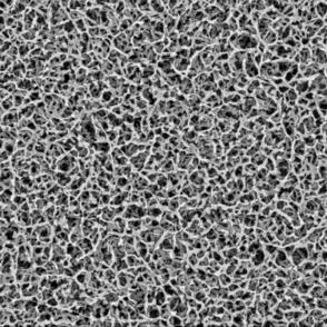
Membrane Analysis Capability
Membrane Solutions?has?our?own independently professional testing?department,which can conduct comprehensive testing and analysis on our membranes,such as HPLC,SEM,FITR,service time,pore size distribution,helping to improve and enhance the performances of our membranes.
Extractables Testing
Membrane Structural Analysis
Service Time Testing
Application Field
Gas Filtration
Liquid Filtration
Protein Transfer
Membrane Products
PTFE Membrane
Hydrophobic PTFE membrane
Hydrophilic PTFE membrane
Hydrophobic PTFE membrane for venting
Oleophobic PTFE membrane for venting
Transfer Membrane
PVDF Transfer Membrane
NC Transfer Membrane
PES Membrane
Hydrophilic PES membrane
Hydrophobic PES membrane
PVDF Membrane
Hydrophobic PVDF membrane
Hydrophilic PVDF membrane
More>>
Typical Applications
Certificates and Documents
We gladly provide all kinds?of membrane technical information, such as data sheets, certificates,membrane analysis report?to our partners. There are also many opportunities to talk to our experts regarding your specific needs and required support.
Ask
